| Автор | Сообщение |
Rottor Гость 80.179.*.*
|
Тема измерения ESR оксидных конденсаторов достаточно актуальна в практике ремонта.
Благодаря интернету появилась первые публикации и разработки способов измерения в Русскоязычном интернете.
К сожалению, способы контроля и приборы по измерению ESR малодоступны для широкого круга даже специалистов. Дороговизна и непродуманная сложность массовых приборов мешает широкому внедрению, и применению измерителей ESR в практике ремонта. Тем самым создавая многочисленные трудности с поиском «сухих» конденсаторов.
Надеюсь, что поднятая тема будет интересна широкому кругу специалистов и практиков в области ремонта электроники.
http://master-tv.com/article/esr/
ССЫЛКИ И ИНФОРМАЦИЯ ПО ТЕМЕ :
- Некоторые понятия по ESR:
http://electronics.ru/showArticle.phtml?id=2357863
- Наиболее массовый измеритель, одна из первых моделей применяемых за рубежом. http://albany.net/~gwoods/esr_meter/esr_meter_index.html
- Митинги по поводу первой публикации измерителя ESR в Российских источниках *** и тут http://old.rc5.ru/tv/msg226271959.html в поиске набрать ключевое слово ESR .
http://master-tv.com/article/esr/esr.shtml
http://masterkit.ru/info/magshow.php?num=49
http://belza.cz/measure/ctst.htm
http://qsl.net/iz7ath/web/02_brew/15_lab/06_esr/fig03.gif
http://members.ozemail.com.au/~bobpar/esrmeter.htm
http://master-tv.com/article/esr3/esr.shtml
http://prist.ru/info.php/articles/lcr-meters/0.htm
------------------------------------------------------------------------------------------------------
Из фрагмента обсуждения выходного напряжения и формы импульсов применяемых в измерителях ESR.
[Полная информация со ссылкой исчезла.]
| Rottor писал: | ...Больше влияет форма измерительных импульсов, после 40 - 50 kH примерно одинаково, если это синусоида.
- Именно искажения формы ( в том числе длительности фронтов) исключает повторяемость по однозначности результатов при измерении, для разных приборов собранных по одной и той же схеме, с разным напряжением питания, измеряемым значением ESR на индивидуальной шкале ...
- Особенно ЭТО сказывается при измерении ESR емкостей на участках схемы без демонтажа конденсатора.
- Для этого стремятся использовать синосуидальный сигнал, значительно понизить выходное сопротивление генератора и снизить амплитуду импульсов, до величин примерно 40 - 50 mV.
Но и ЭТО в свою очередь вносит погрешности и влияет на "показания ESR", например с учетом полупроводниковых свойств обкладок конденсатора...
- Так что попытки рассуждать о "достоверности" и "точности" полученных результатов при "измерении ESR" с "нулями" после запятой это рекламный вымысел "разработчиков" |
-----------------------------------------------------------------------------------------------------------
- Предлагаю провести эксперимент : Электролитический конденсатор аккуратно извлекается из корпуса. Пакет фиксируется проволокой, что бы не развернулся. Выводы подключаются к измерителю емкости. Затем его постепенно «засушивают" на пламени зажигалки.
Цель эксперимента - целесообразность применения термина «СУХОЙ» конденсатор.
Выводы сделайте сами.
--------------------------------------------------------------------------------
И еще один эксперимент , в результате которого нужно сделать выводы о нецелесообразности применения типовых измерителей, как приборов для определения "емкости" конденсаторов.

|
|
Migun Гость 213.59.*.*
|
По поводу прибора Rottora http://master-tv.com/article/esr/
толково и просто. Насчет трансформатора - я намотал в первичке 15, во вторичке 45 (было лень наматывать 150 во вторичке). Мерит довольно сносно. Единственно- стрелка отклоняется не сильно ( использовал индикатор от магнитофона), но неисправные кондеры выявляютсяуспешно. Увеличил коэфициент трансформации до 4, стрелка стала отклоняться сильнее. Насчет генератора - я использую ГНРЧ-2. Соответственно выкинул из схемы подстроечник для установки нуля. Калибрую размахом сигнала с генератора. |
|
Rottor Гость 212.199.*.*
|
CD74HCT04E, выбрана специально из соображений получения максимальной выходной мощности при низкоомной нагрузке. Отдельные экземпляры работают при снижении напряжения менее 2 вольт. Я применяю три батареи по 1, 5 вольта с простейшим таймером на полевике. Конденсатор 47 мкф заряжается на затвор и резистор 3,3 мОм на минус. Ввыдержка около 3 - 5 минут. батареи обеспечивают работу 1,5 - 2 года. Для снижения габаритов можно применять дисковые батареи на 3 В, работают минимум 6 месяцев. Примерный аналог этой микросхемы - 155 серия (ЛА 3). Крону можно применять, но генератор лучше сделать на таймере (555). Как и на чем собран генератор никакого значения не имеет. Питание можно использовать 1,5 вольта, но генератор нужно собрать на блокинге, или мультивибраторе. Стабилизатор тут совсем не нужен имеется ручка калибровки измерителя с учетом напряжения питания. У микросхем КМОП проблемы с работой на низкоомную нагрузку, поэтому на мой взгляд их применение не целесообразно. К тому же они менее надежны при попадании прибора под напряжение. |
|
Kondor Участник Сообщения: 795
|
for Rottor
| Цитата: | | при измерении необходимо пользоваться дополнительной таблицей: |
Алекс, а при работе с Вашим прибором разве нет необходимости хотябы поначалу заглядывать в таблицу?
Спрашиваю потому, что мой вариант, как я писал Вам, несколько отличается от Вашего. |
|
Rottor Гость 212.199.*.*
|
У меня пробник как и все остальные. а там достаточно точный измеритель на ином принципе. Но в практике измерений приборами ESR, достаточно знать что небольшие емкости (ниже 4,7 на повышенные напряжения) имееют ESR выше 1- 3 Ом. К тому же эти емкости стоят в слаботочных цепях. что не так критично в работе РЭО. Не думаю что это разумно, применять точные и сложные измерители с дополнительными таблицами в практике ремонта. Я ним пользовался (аналог выпускаемый в USA). Мне показалось это не очень практичным, к тому же часто вылетает по причине попадания под напряжение.
Я потому и применяю трансформаторы, это резко повышает надежность, и позволяет использовать простые детекторы без усиления. К тому же дополнительное качество - ток измерения повыше, что дает более достоверные результаты на минимальных ESR.. |
|
Viat Участник Сообщения: 1583
|
Привет Всем.
По поводу питания - понял.
При сборке и настройке у меня четко сработало старое правило - "делаешь усилитель -генерит, делаешь генератор - не запускается". Запускался при касании щупом тестера, пришлось повесить резистор 10к с плюса питания на первую ногу мс. Частота 70 кГц. Второе - индикатор оказался не на 50, а на 5мкА, пришлось выбирать, зашунторовать "голову" или трансформатор, выбрал второе. Поставил аж 0.22 Ома паралельно первичной обмотке трансформатора, тогда стрелка стала приемлимо показывать ( на 1 Ом примерно 5мм шкалы).
Однако при измерении в схеме иногда показания чуть больше, чем на "голом" конденсаторе (приблизительно на 0.15-0.2 Ома), думаю, что какой прогрешностью можно принебречь.
Удачи всем.
Viat. |
|
Rottor Гость 212.199.*.*
|
Нужно обратить внимание что независимо от структуры CD74HCT04E, ее входное сопротивление НИЗКОЕ и совместимо с ТТЛ. Это наглядно видно на схеме где в генераторе применяются Омные резисторы. В аналогичном генераторе на К561ЛН1 входное сопротивление ВЫСОКОЕ, там потребуются резисторы сотни кОм. Выход генератора подключен к низкоомной измеряемой цепи непосредственно (через емкость) что не стандартно с точки зрения схемотехники, но проверенно и считается (мною) целесообразным. При искрении под напряжением, несмотря на защитные диоды, с другими микросхемами возникали пробои. С указанной нет, что и позволило предложить хорошо отработанный вариант. Любые другие изменения для достижении нужных авторам результатов - прецедент создания СВОЕЙ схемы. Соответственно это уже не мой прибор, а Ваш, и если возникают какие либо недоумения и проблемы то Вам их и решать.
viat
Попробуй поступить так: соедини выход генератора с входом измерительной части. А проверяемый конденсатор подключай к точке соединения и на «землю». Шкалу прибора сменится на обратную. Калибровка (максимум ESR) будет в конце шкалы а область малых сопротивлений в начале. За счет нелинейности диода участок с малыми значениями растянется. Это значительно удобнее и настроить легче. |
|
Kondor1 Гость 217.13.*.*
|
Мое видение проблемы: http://alexlands.chat.ru/esr_kondor.pdf
Монтаж трансформаторов такой.
- полная гальваническая развязка;
- изменение большим током и малым напряжением 75-100 мВ (никакой полупроводник не откроется);
- логарифмическая (сжатая) шкала.
Ни на что не претендую. Считаю что такое схемное решение лучше (чисто мое мнение). Пробовал разряжать через него сетевой кондюк: измерительные иглы полетели - схема цела (не считая слегка подгнутой стрелки).
Удачи
Кондор.

|
|
Rottor Гость 212.199.*.*
|
Схемами мы обменялись, надеюсь в почте получена.
Я то же приходил к такому решению. У меня другая схема генератора. а защита при таком же решении работает несколько иначе. Ее так же, испытывал на сетевом электролите.
Особенность заключалась в том что применял сердечники трансформаторов с минимальным сечением, и шунтирующий электролит большой емкости паралельно прибору. При попадании на напряжение маломощные трансформаторы быстро насыщаются, а переходные процессы заряжали электролит, такая "задержка" позволяет стрелке оставатся невредимой.
Такая конструкция обладает еще одним качеством подключая к вторичке (выводы 5 - 8), намоточные изделия можно легко производить проверку на "витковое" Только обмотки ( выводы 5 и 1) лучше соеденить а емкость подключать паралельно обмоткам. Это то что я выше советовал viat.
Такого типа конструкции приборов для проверки ESR я считаю наиболее надежными, практичными и доступными для повторения. |
|
Rottor Гость 212.199.*.*
|
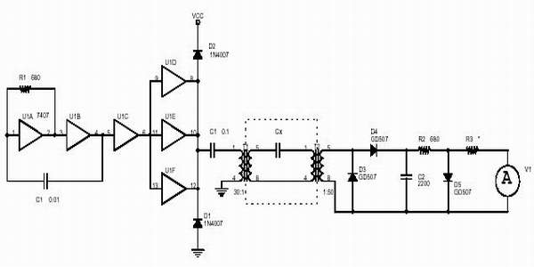
Вариант измерителя ESR с трансформаторами
R3 680 Om.* R2 12 Om. C1 0.22. C2 680 pF. С3 47 mF. IC 155ЛА3. D1 Д9. Д20.
Транс генератора: I - 100 вит 0, 09. II - 1,5 вит 0,56.
Транс измерителя: I - 10вит 0,56. II - (к прибору) 100вит. 0,09.
Намотка на ферритовых кольцах 10 - 12 мм. размеры не критичны.

|
|
Rottor Гость 212.199.*.*
|
Один из первых, моих измерителей ESR.
Используется в составе импульсного источника питания - "ЕНЕРАТОРА". http://monitor.net.ru/forum/viewtopic.php?t=48599
В принципе можно использовать любой источник импульсов произвольной формы. Подгонка по параметрам и имеющимся комплектующим заключается в подборе резисторов, диода, и чувствительности измерительной головки. Трансформатор можно применять любой с ферритовым сердечником в соотношении витков (например 1 к 150 –200. Желательно измерительную обмотку 2- 4 витка мотать первой, это позволит при калибровке установить стрелку ближе к делению «0» измерительного прибора.
Если с калибровкой нуля возникают сложности то сначала калибруется «нуль», как отметка на шкале, затем сама шкала с помощью резисторов 0,5. 1. 2. 3. 5 10…




|
|
tibla Гость 62.65.*.*
|
я давно пользуюсь измерителем с использованием генератора (частота 100кГц),милливольтметра.2ух резисторов .включенных делителем (U на щупах - 100мВ и 2ух встречновключенныхдиодов (защита входа)-по невнимательности несколько раз щупал конденсаторы в работающем устройстве - один раз диоды пришлось менять
автономный прибор не собирал
в выходные провёл сравнительные испытания (на резисторах-в схемах на реальных С не было времени проверить)3х дивайсов:
-своего
-Rottor(a)-собран знакомым телемастером,схема и методика наладки из статьи в РЭТе,в качестве доработки через кнопку введён калибровочный 1R резистор)
-slap(a) - авторский вариант
резюме с точки зрения пользователя:
мой и Rottora дивайсы примерно одинаковы и имеют общий недостаток - значения меньше одного Ом трудно измерить(cчитать)-стрелка измерителя от нулевого значения отклоняется незначительно
в приборе slap(a) диапазон от нуля до единицы растянут (при шкале в 50 делений )
0R1 - 2
0R22 -4
0R27 -4,5
0R33 - 5
1R - 15делений
и т.д.
измерение ёмкости(тумблер) разбито на диапазоны (малогабаритный галетник -1,5,10,50,100,500мкФ)
удобно это или нет - решать пользователю,про схемотехнику говорить не хочу во избежание дальнейшего накала страстей
сегодня увидел в магазине дешёвый китайский стрелочный тестер-купил-буду делать в его корпусе |
|
Rottor Гость 212.199.*.*
|
Реплика по выбору напряжения измерения и шкал.
Прибор по схеме http://albany.net/~gwoods/esr_meter/esr_meter_index.html измеряет ESR при напряжении на выводах 50 мВ. Это обуславливает необходимость применения усилителей и электронных детекторов. Шкала там нелинейна из практических соображений - не требуется переключатель. В приборе slap(a) головка включена в цепь обратной связи и нужно полагать что шкала линейна. Линейные Омметры строются по такому же принципу.
В работе достаточно предела 0 - 5 Ом, но для комфорта нужно по крайней мере до 50 что бы видеть реакцию на измерение. В практике ремонта, с учетом реальных требований удобно пользоватся шкалами где значения ESR? 0 - 3 Ом занимает по меньшей мере треть шкалы. А максимум 12 - 20 Ом. В этом случае предложенные приборы по параметрам шкалы примерно идентичны "китайским" В варианте когда емкость шунтирует измерительную цепь это получается проще, за счет нелинейности диода выпрямителя шкала резко нелинейна. То есть в предложенной схеме 1 Ом можно получить на 1/3 шкалы. И еще одно наблюдение, если сигнал генератора ограничивать на диодах защиты до 0,7 В и измерять ESR непосредствено на монтаже то влияния ПП переходов в диаппазоне 0 - 3 Ом практически нет. А поскольку в практике ремонта значения выше 0,5 Ом не приемлимы то измерители можно строить по упрощенным схемам генераторов и без измерительных трансформаторов. Но об этом потом. |
|
slap Участник Сообщения: 338
|
Rottor
| Цитата: | | А поскольку в практике ремонта значения выше 0,5 Ом не приемлимы то измерители можно строить по упрощенным схемам генераторов и без измерительных трансформаторов. Но об этом потом. |
Так tibla и говорит что на вешем приборе значения около 1Ома практически не измеряются.А если значения 0.5 ома неприемлемы ,то непонятно ,что вы измеряете ?
| Цитата: | | В приборе slap(a) головка включена в цепь обратной связи и нужно полагать что шкала линейна. |
Это можно отнести к шкале самого измерителя напряжения , но шкала самого прибора нелинейна ,это же видно из схемы И диапазон меняется изменением одного резистора, растягивается или сжимается шкала.
Далее я уже говорил вам ,что само значение ESR очень сильно зависит от температуры и ТИПА электролита так например каталоги дают значение ESR для конденсатора 4.7 *35 вольт на частоте 100 КГц для разных типов (я не беру емкости которые нормируют на 100ГЦ) от 0.1 до 2.2 Ом. Для более высоковольтных оно еще выше.Не нужно все грести под одну гребенку. |
|
Rottor Гость 212.199.*.*
|
Наиболее совершенный измеритель из "трансформаторной" серии, имеет возможность проверки большинства "телевизионных" индуктивностей на витковое замыкание.


|
|
Kondor Участник Сообщения: 795
|
Алекс, мне кажется, что это уже перебор. Называется привет ЛАшке если кондер будет заряжен.
Я думаю, что измеритель индуктивности лучше отдельным прибором делать!!! Задачи разные. Твой измеритель на трансах - это корманный приборчик для быстрого анализа в схеме. Пусть таким и остается.
Удачи
Кондор. |
|
Rottor Гость 212.199.*.*
|
Вопрос уместный, прибор на трансах это предшественник этой версии там такая же защита. Но ЭТО предусмотрено схемотехникой - изменена схема включения измеряемой емкости, напряжение на конденсаторе (если оно присутствует) замыкается измерительной обмоткой трансформатора без ущерба для измерителя.
Несколько витков провода ПЭВ 0,56 паралельно выводам, это и есть защита.
Проверка на "витковое" получается очено просто, поэтому целесообразно за счет введения переключателя получить дополнительную функцию.
В первые экземпляры устанавливал панельку для ЛАшки, но проблем не возникало.
Предидущие схемы более "древние" по разработке и публиковались с целью привлечения внимания к измерителю, и сбора критической информации.
В то время я применял доступную 155 серию так и публикую, но многие делают генератор на других сериях. У измерителя "нуль" слева и шкала за счет нелинейности диода больше растянута в начале. Удобнее калибровка и отсчет показаний.
----------------------------------------------------------------------------------------------------------------------
Еще одна оригинальная разработка прибора для проверки емкостей:
"Принцип работы прибора основан на зарядке измеряемого конденсатора от источника сигнала переменного тока стабильной формы, амплитуды и частоты с последующим дифференцированием, выделением постоянной составляющей на синхронном детекторе и фиксацией ее измерительными системами."
http://anklab.pirit.sibtel.ru/Press/Paguo/1993/06/art-21__.html |
|
Viat Участник Сообщения: 1583
|
Rottor.
Просвети на счет проверки на КЗ, это межвитковое, при этом надо знать номинальную индуктианость?
Удачи.
Vait. |
|
Rottor Гость 212.199.*.*
|
Способ очень простой. На трансе все время напряжение от генератора стрелка в конце шкалы. Подключаешь индуктивность с витковым и вторичка шунтируется, перемещение стрелки влево показатель виткового. Нужно учитывать, что индуктивности основных намоточных изделий телевизоров и мониторов превышают индуктивность обмотки измерителя. Следовательно их влияние (без виткового), на измерение напряжения минимально. Но для отработки навыков проверь несколько исправных деталей: дросель EW, обмоткии отклонялки, трансформатор ИИП, транс драйвера... Определьсь реакцией исправных деталей, а потом то же самое, но с иммитацией виткового. Шкалы как таковой нет но, после нескольких измерений все станет понятно.
Можно расширить возможности устройства, поставить переключатель снижающий частоту до 1- 2 кГц и использовать как генератор для проверки звука и прохождения видео, очень удобно, и всегда под рукой. |
|
Cheeep Гость 80.78.*.*
|
Rottor
Спасибо за схемку.
Дешево и Сердито!!
В том, что у меня получилось:
1. Головка от Маяка120 - 0.5мА - Зашунтирована 2 мя диодами 1N4007-встречно паралельно .
2. Подстроечника в цепи вторички (200 витков на К17,5 *10 *непомню 2000НМ)
и головки нет вообще.
3. Диод - Д310. Замечено, что чем меньше падение на диоде - тем более чувствительна головка к малым (до 1 Ома) сопротивлениям (растянутость).
С Д9 - тяжко при сопротивлениях до 1 Ома.
4.На Условный Max выставляю при помощи подстроечника 1к от Лашки к первичке (10 витков проводом в 0.5 квадрата в черном фторопласте.).
Диапазон Индицируемых Сопротивлений (по калибровочным резисторам) 0.1 ... 24 Ома.
При первом тесте на живучесть - 180мкФ при 300В - погнуло стрелку на головке - после чего были поставлены диоды. Лашка - жива.
Щупы - нет.
А провода на щупы и в правду нужно ставить толстые.
На 500-600 мВ не настраивал.
Просто брал Д310 и мерял его. Стрелка не шевелится - значит ОК!
С Уважением. |
|
Rottor Гость 80.179.*.*
|
Cheeep
Спасибо за информацию. Я давно пришел к выводу, что влияние переходов не сказывается в пределах ниже 10 Ом, как и растяжка шкалы в зоне 1 - 3 Ом. Можно применять напряжения измерения более 1 V, для практических целей в сфере ремонта, достаточно такого измерителя. Более точные измерения ESR это другая область и иные принципы измерения. |
|
Cheeep Гость 80.78.*.*
|
Не устраивало меня то, что провода очень толстые ставить нужно...
Выход нашелся случайно: подсоединил свитый провод 0.5 квадрата - перемкнул щупы - отметил положение стрелки. После чего перемкнул пинцетом точки подключения к плате - и чем меньше разница - тем лучше.
Сейчас провода следующие: оплетка от экранированного фторопластового провода одета 5 раз друг на друга.
Затем в тонкую капельницу.
Мягкие и удобные.
Свиты друг с другом.
Оставлены свободно только на 10см. |
|
vaso Гость 212.0.*.*
|
Собрал пробник на CD74HCT04D(smd), головка взята от битого тестера. Не могу растянуть шкалу в районе 0.5-10 Ом. При подключении 1 Ом стрелка откланяется на одно деление(из пятидесяти). Как решить эту проблему.
Спасибо.  |
|
Rottor Гость 80.179.*.*
|
Какой диод применяешь, попробуй Д9. Д310, повысь напряжение с трансформатора.
Проще домотать вторичную, или применить более чувствительную "головку". |
|
vaso Гость 212.0.*.*
|
Смотал первичку. Сейчас 20:150. Результат положительный но недостаточно. Более чувствительная головка насколько я понимаю отразит только калибровку на ноль.  |
|
Rottor Гость 80.179.*.*
|
vaso,
Более чувствительная головка работает "чувственнее" и стрелку отклоняет значительно дальше, чем одно деление  |
|
m sergey Гость 217.9.*.*
|
Подбирал с помощью резистора ,что параллельно ограничительным диодам,чувствительность доводил до 1 ом на половину шкалы.Только это ни
к чему,тогда начинаешь путаться,все кондюки показывают наличие ESR .Реально
на практике 1 деление 1 ом.Еще достало ,видимо какие-то резонансы,конденсатор
примерно на 0.1 мкф а стрелка даже уходит за нуль - зашкаливает.
Сергей. |
|
Rottor Гость 80.179.*.*
|
m sergey,
Там же ясно сказано, что только оксидные емкости начиная с 1 - 2 мF.
Измеритель лучше собирать по последнему варианту схемы с одним трансформатором. |
|
pseudoXP Гость 80.252.*.*
|
Была бы возможность я бы присудил сабж за прикосновение к истине и создания панацеи от всех болезней - измерении ESR оксидных кондёров. Пусть сам метод известен, но зострение и расстановка акцентов дорогого стоит.
А теперь мои изыскания. Было как-то препирание между ROTTORом и Вованом по поводу высыхания. После этого я разобрал кучу литов (и прочитал всё что можно по их конструкции) и вынужден согласиться с Вованом - сохнут таки они. Более того, на первой стадии резко растёт ESR по причине увеличения сопротивления электролита, а потом как следствие исчезновения "электролитической" обкладки и увеличения расстояния между обкладками из фольги падает ёмкость, но это в токовых цепях ерунда по сравнению с увеличением последовательного сопротивления. Отгнивание выводов и соответственно увеличение контактного сопротивления тоже бывает, но реже.
Провёл такой экпиремент. Нашёл измеритель ёмкости, независящий от последовательного сопротивления. Замерил - 103 uF. Кондюк: 100*35V. Замерил ESR - типа 0.3 Ohm. Вскрыл кондёр. Ну, думаю через час от него ничего не останется. Фиг мне. На 3-и сутки(!!!) ESR подвалило к 0.6 Ohm. Ёмкость как влитая - 103. Через неделю ESR 0.8 Ohm и далее остановилось. Ёмкость таже. Разозлившись положил кондёр на паяльник. Подымил минут 5. ESR - 10 Ohm(!). Ёмкость таже(!). И лишь потом на следующий день ёмкость опустилась до 85 uF, на чём и остановилась.
Вот мои выводы.
1. Проблема номер один в токовых цепях, где применяются оксидные конденсаторы - повышение ESR последних вследствие высыхания.
2. Измерение ESR оксидных кондёров самодостаточная диагностика их качества.
(Чуть подробнее: невозможна ситуация уменьшения ёмкости оксидного конденсатора при неувеличении последавательного сопротивления).
3. В большинстве измерителей показание ёмкости сильно зависит от ESR (или от тангенса потерь, что может быть пересчитано), что есть хорошо. Редкие измерители, где такой зависимости нет, полезны для науки, опасны в ремонте.
Уф. Спасибо, что дочитали. Спасибо, что дописал. |
|
Rottor Гость 80.179.*.*
|
pseudoXP,
И все равно нарушается контакт за счет неплотного прилегания пропитаной бумажки к люминевой обкладке. А если прижать плоскогубцами...  |
|
pseudoXP Гость 80.252.*.*
|
Насчёт нарушения контакта между пористой бумагой и фольгой - возможно, это ещё шаг к истине. Ответь ещё на один вопрос: почему материалы обкладок разные (и обе очень хорошо проводят - где же окисел?). Потом уничтожай всё на |
|
Rottor Гость 80.179.*.*
|
pseudoXP,
Так окисел то толщиной в несколько атомов ты его прокалываешь и разрушаешь щупом прибора.
Да и "обкладки", они НЕ обкладки, одна из них просто контакт по всей поверхности окисла и люминевой ленты, за счет жидкости которой пропитана бумага.

|
|
|